Explore ideas, tips guide and info Archer McClemans
Tecumseh H60 120 SHIPPED !!! BIG Block !!!
Tecumseh H60 120 SHIPPED !!! BIG Block !!!
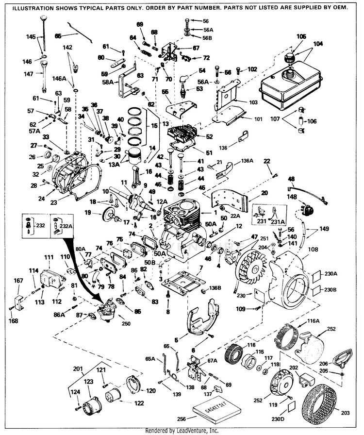
H60 Tecumseh. Tecumseh H60 120 SHIPPED !!! BIG Block !!! some were equipped for electric start , usually 120 volt , but a 12 volt starter will bolt. Tecumseh H60-75003H Exploded View parts lookup by model
tecumseh h60 from oldminibikes.com
some were equipped for electric start , usually 120 volt , but a 12 volt starter will bolt. H60-75003G - Tecumseh Engine Parts & Diagrams Parts Lists & Diagrams
tecumseh h60
H60-75003G - Tecumseh Engine Parts & Diagrams Parts Lists & Diagrams Tecumseh H60 Specs: Maintenance data, Service intervals, Carburetor adjustment, Torque Specs, Service data, Oil and filter, Dimension and weight, Valve clearance tecumseh hso h60 h70 hhso hh60 horizontal crankshaft air cooled four-cycleengine a this symbol points out important safety instructions which if not followed coulda endanger the personal safety and/or property of yourself and others
Tecumseh H6075376M 75376MH60 Parts Diagram for Engine Parts List 2. read and follow all instructions in this manual and any providedwith the equipment on which H60-75003G - Tecumseh Engine Parts & Diagrams Parts Lists & Diagrams
Tecumseh EzeeStart H6075009 Small Gas Engine BigIron Auctions. Tecumseh H60-75505R 75505R-H60 Engine Parts List #1 Exploded View parts lookup by model Engine Parts List #1; Engine Parts List #2; Engine Parts List #3; Attachment